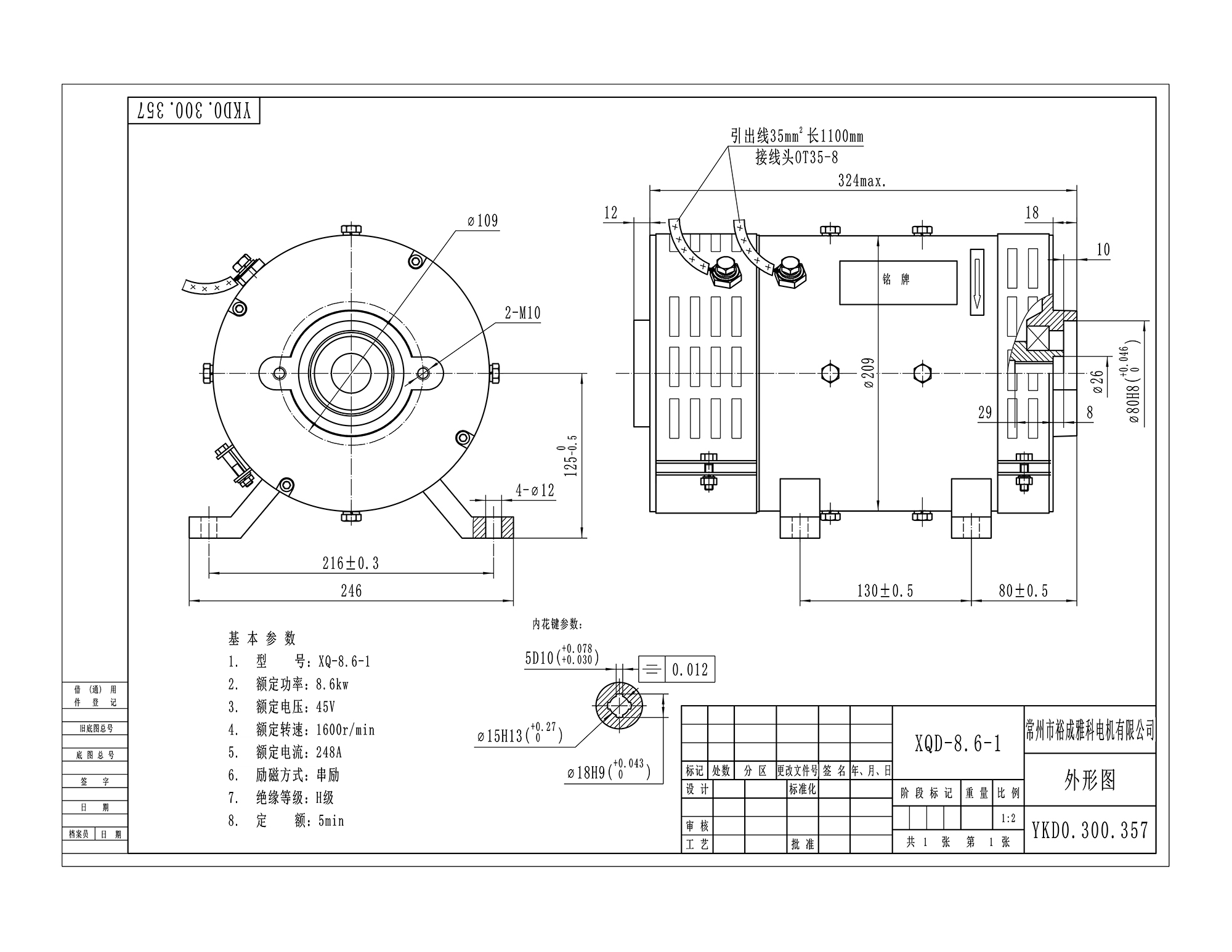
电机型号:XQD-8.6-1
额定功率:8.6kw
额定电压:45V
额定转速:1600r/min
额定电流:248A
励磁方式:串励
工作制:5min
最高转速:3200r/min
防护等级:IP20